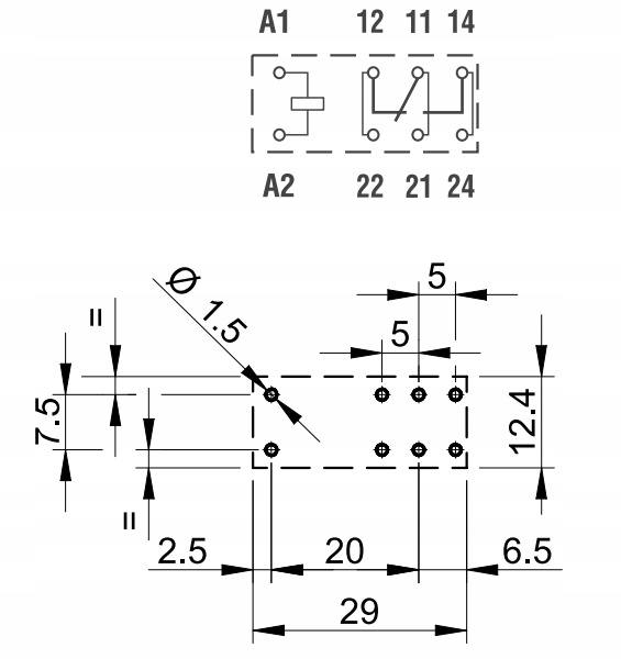
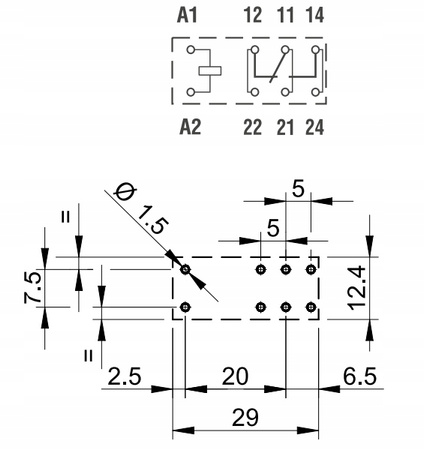
Przekaźnik, cewka 230VAC, styki 16A/250VAC, FINDER, SPDT
Symbol: 40.61.8.230.0000
Przekaźnik elektromechaniczny
Cewka :
- Napięcie : 230V AC (184...253V)
- Prąd : 5mA
- Rezystancja : 28'000Ω
Styki :
- Konfiguracja : SPDT (1x styk przełączny NO/NC)
- Napięcie (znamionowe/maksymalne) : 250V AC / 400V AC
- Obciążalność : 1000...4000VA
- Prąd (znamionowy/udarowy) : 16A / 30A
Informacje :
- Producent : finder
- Symbol : 40.61.8.230.0000
- Wyprowadzenia : 8x styki do gniazd/druku











