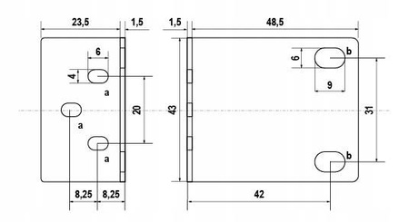
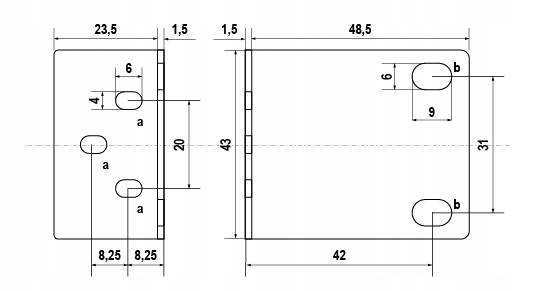
Uchwyt rack 1.5U440 Hikvision do rejestratorów (2szt.)
Uchwyty dedykowane do montażu rejestratorów z serii DS-77xx oraz DS-73xx o wysokości 1.5U, głębokości 440/445 mm w szafach RACK 19".
Zestaw zawiera 2 uchwyty oraz śruby montażowe.


Pasuje do:
- DS-7716NI-E4
- DS-7716NI-E4/16P
- DS-7716NI-I4
- DS-7716NI-I4/16P
- DS-7732NI-E4
- DS-7732NI-E4/16P
- DS-7732NI-I4
- DS-7732NI-I4/16P
- ...i inne podobne z tej serii.
- DS-7308HQHI-SH
- DS-7316HGHI-SH
- DS-7316HQHI-F4/N
- DS-7316HUHI-F4/N
- ...i inne podobne z tej serii.










